Дополнительные материалы по программному обеспечению AWR
Проектирование радиофотонных диаграммообразующих схем фазированных антенных решеток в микроволновой САПР AWR DE
В статье представлены разработанные в специализированной микроволновой САПР AWR DE две модели радиофотонных диаграммобразующих устройств фазированных антенных решеток, реализованные на основе электрических эквивалентных моделей оптических модулей (электрооптического модулятора, линий задержки на брегговских решетках и др.), в которых формирование требуемых амплитудно-фазовых распределений поля в апертуре решетки реализуется на основе оптических линий задержки. Выполнено сквозное нелинейное имитационное моделирование диаграммобразующих устройств, при котором в моделях одновременно анализируются сигналы в микроволновом и оптическом диапазонах. Определены амплитудно-фазовые распределения сигналов на антенных портах, рассчитаны диаграммы направленности линейных эквидистантных фазированных антенных решеток изотропных излучателей. Показано, что вторая схема радиофотонного диаграммобразующего устройства отличается лучшими тактико-техническими характеристиками. Для этой схемы также выполнены расчеты диаграмм направленности для случая антенной решетки, состоящей из четырехэлементных кластеров широкополосных печатных излучателей с переключаемой поляризацией излучения.
Chip, Package, and Board Beamforming Solutions
HFE 2022'2
RF front-end architectures grow more complex with each generation of communication systems. To accommodate these architectures, more densification and miniaturization is taking place with electronic systems implemented through innovations in system-in-package (SiP) design.
5G data rates exceeding 1GB/s will be supported by the available bandwidth in the millimeter-wave (mmWave) spectrum and use of beam steering phased array antennas and multiple communication chains, which can range from eight to 64 elements in a typical system. A reference design (shown in Figure 1) has been developed to demonstrate how Cadence® software tools, inclusive of the AWR Design Environment® platform, support the development of such a system, from the 5G antenna array on a PCB through the package-on-package design and complementary metal-oxide semiconductor (CMOS) receiver IC.
GaN МИС малошумящего усилителя Х-диапазона
Целью данной работы является проектирование монолитно-интегральной схемы (МИС) малошумящего усилителя (МШУ) X-диапазона (7-12 ГГц) на основе технологии нитрид-галлиевого (GaN) транзистора с повышенной подвижностью электронов (HEMT) с шириной ножки Т-образного затвора в 100 нм на кремниевой (Si) полуизолирующей подложке французской компании OMMIC. Усилитель основан на транзисторах с общим истоком с последовательной отрицательной обратной связью (ООС) в виде высокоомного отрезка линии передач, а также с параллельной ООС для согласования коэффициента шума и коэффициента усиления по мощности (КПМ) в соответствии с методикой совмещенного согласования. Ключевыми характеристиками МШУ являются коэффициент шума и коэффициент усиления. В данной статье было принято решение о проектировании МШУ, который должен иметь хороший запас с точки зрения входной и выходной мощности. В результате чего была выбрана GaN технология, которая обладает большим, по сравнению с иными технологиями, коэффициентом шума, но позволяет отказаться от ограничителя мощности на входе, который в значительной степени повышает общий коэффициент шума. В результате разработки и применения метода совмещенного согласования была разработана МИС МШУ со следующими характеристиками: коэффициент шума менее 1.6 дБ, мало-сигнальное усиление более 20 дБ, возвратные потери менее -13 дБ и выходная мощность более 19 дБмВт с компрессией КПМ на 1 дБ в диапазоне от 7 до 12 ГГц в габаритах 2х1.5 мм², который обладает напряжением питания 8 В и потреблением тока менее 70 мА. На данном этапе реализовано только моделирование МШУ в среде AWR DE.
Увеличение мощности высокоэффективных усилителей СВЧ инверсного класса F
Мьо Мин Тхант, В. А. Романюк, СОЭЛ 2021'4
Проведено сравнение схем двухканальных сумматоров мощностей с синфазными, противофазными и квадратурными каналами. Схемы усилителей с суммированием мощностей созданы на основе однотактного усилителя СВЧ инверсного класса F, на GaN-транзисторе структуры HEMT частоты 4 ГГц, с КПД 88% и выходной мощностью 13 дБм. Отмечены достоинства и недостатки различных усилителей с суммированием мощности по эффективности, уровню шума, величине высших гармоник в спектре выходной мощности, согласованием с источником колебаний.
Разработка блока малошумящего широкополосного усилителя СВЧ
СВЧ-электроника 2021'2
В статье рассматривается практическая реализация блока широкополосного малошумящего СВЧ-усилителя, работающего в диапазоне частот 30 МГц — 10 ГГц с коэффициентом шума не более 2 дБ и коэффициентами усиления 25 дБ в диапазоне до 2 ГГц и 20 дБ в диапазоне 2–10 ГГц, в программе AWR.
Большинство приборов, не имеющих встроенного усилителя, не могут регистрировать слабые сигналы, так как их уровень ниже фонового уровня устройства. Поэтому именно МШУ является одним из ключевых элементов приемно-передающего тракта и позволяет принимать и обрабатывать низкоуровневые сигналы без существенного изменения отношения сигнал/шум.
Компьютерное моделирование для оценки безусловной устойчивости трехкаскадного СВЧ-усилителя мощности
СВЧ-электроника 2021'2
Используя передовое программное обеспечение, по результатам моделирования автор разработал и испытал трехступенчатый усилитель мощности микроволнового диапазона, причем практическая проверка прототипа показала довольно точное совпадение его реальных характеристик с результатами моделирования и устойчивость усилителя к самовозбуждению. Предлагаемая статья представляет собой исследование, посвященное столь важной проблеме, как определение критерия абсолютной устойчивости усилителя мощности миллиметрового диапазона, выполненного в виде гибридной интегральной схемы.
Современное программное обеспечение для автоматизации проектирования радиоэлектронной аппаратуры (electronic design automation, EDA) предоставляет инженерам, специализирующимся в высокочастотной области, чрезвычайно мощные инструменты, которые могут выполнять задачи проектирования различных микроволновых схем, начиная с общих электрических схем и схем на подложках и заканчивая измерениями и тестированием завершенного изделия. Однако разработка усилителей мощности миллиметрового диапазона — это крайне сложный процесс, который предусматривает решение определенного круга задач. В статье особое внимание уделяется использованию программного обеспечения EDA для выполнения одного из нескольких доступных методов моделирования и анализа безусловной устойчивости усилителя. Параллельно рассмотрены основные этапы его разработки, которые необходимо выполнить для того, чтобы конечный продукт соответствовал целям и требованиям проекта.
Развитие системы подготовки кадров для новой российской СВЧ-электроники
СВЧ-электроника 2021'1
Для активного развития и всестороннего внедрения прогрессивных методов проектирования и производства твердотельной СВЧ ЭКБ, основанных на стандартных технологиях и поддерживающих принцип сквозного проектирования радиоэлектронной аппаратуры, в отрасли сейчас совершенно недостаточно специалистов, способных эти принципы развивать. Опыт показывает, что значительная часть разработчиков привыкла «считать схемы» по старинке, а те, кто владеет современным инструментарием — «самоучки», получившие опыт на зарубежных foundry-сервисах. Твердотельная СВЧ-электроника является достаточно специфической областью микроэлектроники, сочетающей более простые (с точки зрения проектных норм, количества уровней металлизации и т. д.) и в меньшей степени масштабируемые технологические решения, с более сложной физикой работы приборов. Для активного развития и всестороннего внедрения прогрессивных методов проектирования и производства твердотельной СВЧ ЭКБ, основанных на стандартных технологиях и поддерживающих принцип сквозного проектирования радиоэлектронной аппаратуры, необходимы не только финансовые ресурсы, но и существенная ревизия системы профессиональной подготовки специалистов, способных перестроить сложившуюся парадигму разработки и эффективно в сжатые сроки отвечать на возникающие перед отраслью вызовы.
Cadence AWR Design Environment Version 16 Enables Integration of Heterogenous Technologies
MWJ 2021 '7
5G wireless systems and connected devices are proliferating across every imaginable industry, driving technology leaders to capitalize on market opportunities for RF-enabled products defined and differentiated by performance, size and cost. Traditionally, custom or proprietary integrated circuit (IC) designs leveraging the latest advanced technology node have been the path forward to realize differentiation, but today’s complex designs are moving beyond the chip.
RF and mixed-signal engineering efforts have embraced not only diverse semiconductor processes but advanced cross-fabric packaging and system-in-package (SiP) and package-in-package (PiP) technologies, as well as 3D ICs implemented using advanced interconnect technologies. Successful products require every possible component interaction which might influence the overall performance of the final product be considered at the system level throughout the design, analysis and signoff phases of development. All electrical factors affecting the outcome—micro and macroscopic—must be considered.
5G NR Design for eMBB
Enhanced mobile broadband (eMBB) extends the current mobile experience with high data throughput on the order of more than 10Gbps, high system capacity on the order of more than 1000X that of LTE, and a 3-4x improvement in spectral efficiency over 4G. This article examines some of the design challenges for eMBB and presents several case studies in which the Cadence® AWR Design Environment® platform was used to develop eMBB products for the third wave of communications, including high-speed mobile broadband and virtual reality, augmented reality, gaming, and much more.
RF/Microwave EDA Software Design Flow Considerations for PA MMIC Design
HFE 2021'5
The evolution of integrated circuit (IC) technology demands that designers in this field adapt to ever-changing manufacturing techniques driven by performance, cost, benefit, and risk considerations. Today’s PA designers working in solid-state technologies must navigate a plethora of available processes, including GaAs, gallium nitride (GaN) and silicon carbide (SiC) PHEMT, radio-frequency complementary metal-oxide semiconductor (RF CMOS), and GaAs or silicon germanium (SiGe) heterojunction bipolar transistor (HBT), to name just a few.
Similarly, different design challenges demand different amplifier classes and/or topologies like Class AB, Darlington multi-transistor configuration, switch-mode PAs, and digital predistortion. Moving from one technology to another implies that certain skills and knowledge are transportable and transferable. The most basic of these skills is the effective use of electronic design automation (EDA) tools for designing the MMIC itself. More specifically, it is a strategy, design flow, or guidelines for how to begin with requirements and a process design kit (PDK) and arrive at a point where the more complicated requirements can be tackled.
In this white paper, a gallium arsenide (GaAs) pseudomorphic high-electron mobility transistor (pHEMT) power amplifier (PA) design approach is examined from a systems perspective. It highlights the design flow and its essential features for most PA design projects by illustrating a simple Class A GaAs pHEMT monolithic microwave IC (MMIC) PA design using Cadence® AWR® Microwave Office® circuit design software. The paper begins with the concepts of design closure and then describes parametric design as key concepts to understanding each step of the PA design process.
Multiband Active Antenna Tuner for Cellular IoT Applications
David Vye, HFE 2021'3
With the release of each new generation of wireless technology since the introduction of the portable phone in the early 1980s, mobile communications have progressed exponentially. Each generation has launched new services and business opportunities, leading up to what is being referred to as the “third wave” of communications. The evolution made possible through 5G and future 6G technology will support even more new services for industry and society, well into the 2030s and beyond (Figure 1). This white paper discusses related design challenges and solutions for developing a multiband active antenna tuner for cellular internet of things (IoT) massive machine-type communications (mMTC) applications.
Предварительный усилитель мощности Х–диапазона частот для передатчика на основе ЛБВ
Павел Компаков и др., СВЧ электроника 2020'3
Рассмотрены основные этапы разработки предварительного твердотельного усилителя мощности Х-диапазона частот с коэффициентом усиления 23 дБ для выходного передатчика на основе мощной спиральной лампы бегущей волны. В настоящее время передатчики Х-диапазона частот на основе мощной лампы бегущей волны (ЛБВ) достаточно широко распространены в системах навигации, радиолокации и связи [1–3]. Основными элементами такого передатчика являются предварительный твердотельный усилитель (ТТУ) и основной усилитель — ЛБВ. Структурная схема передатчика Х-диапазона частот представлена на рис. 1. Сигнал заданной частоты поступает с генератора сигналов в предварительный усилитель, где происходит его усиление до уровня, необходимого для работы ЛБВ. Затем лампой бегущей волны сигнал подается на вход передающей антенны. Источник питания обеспечивает подачу напряжений накала катода, коллектора, анода и замедляющей системы ЛБВ. Модулятор обеспечивает импульсный режим работы выходного усилителя мощности.
Преимущества электромагнитного анализа в проектировании усилителя мощности К-диапазона для систем навигации
Дэвид Вай, Янг Томас, СВЧ-электроника 2019'4
Представлено описание методики проектирования широкополосного двухтактного усилителя мощности больших сигналов на компонентной базе GaN с выходной мощностью более 10 Вт для высокопроизводительных устройств детектирования нелинейных переходов, которая позволяет на практике достичь оптимальной сходимости теоретической модели, а также повысить КПД усилителя мощности при сохранении линейной характеристики усиления.
Проектирование широкополосного «Push-Pull» усилителя на базе GaN для устройств детектирования нелинейных переходов
СВЧ-электроника 2019'4
Представлено описание методики проектирования широкополосного двухтактного усилителя мощности больших сигналов на компонентной базе GaN с выходной мощностью более 10 Вт для высокопроизводительных устройств детектирования нелинейных переходов, которая позволяет на практике достичь оптимальной сходимости теоретической модели, а также повысить КПД усилителя мощности при сохранении линейной характеристики усиления.
Цикл уроков для начинающих пользователей Microwave Office
Книга "Проектирование СВЧ устройств с помощью Microwave Office
Дмитриев Е.Е., Основы моделирования в Microwave Office 2009 (на примерах)
Дмитриев Е.Е., Проектирование фильтров в Microwave Office 2009 с помощью iFilter
Дмитриев Е.Е., Новое в версии Microwave Office 2008
Дмитриев Е.Е., Основы моделирования в Microwave Office 2007 (на примерах)
Дмитриев Е.Е., Экспорт топологии из Microwave Office 2007 в DXF файлы
Дмитриев Е.Е., Совместное использование Microwave Office 2007 и IE3D
Дмитриев Е.Е., Проектрирование микрополосковых фильтров СВЧ с помощью Nuhertz Filter
Дмитриев Е.Е., Microwave Office 2002. Переменные и уравнения
Дмитриев Е.Е., Основы моделирования в Microwave Office 2002
Дмитриев Е.Е., Microwave Office 2002. X-модели неоднородностей
"AWR Microwave Office 2006, курс на интеграцию" из журнала EDA Expert #12 (Апрель 2006)
Электромагнитное моделирование СВЧ систем, PC WEEK 34 1998
Design of a K-Band MMIC PA for Satcom Applications
David Vye, Thomas Young. HFE 2020'6
K/Ka-band (26.5-40 GHz) satellite communications (satcom) systems are popular for global broadband services, offering universal access to faster data rates due to the higher bandwidths available in this frequency spectrum. These systems are enabled through high-power amplifiers (HPAs) in next-generation, satellite-based, RF frontend components. Originally part of the European Space Agency (ESA) Advanced Research in Telecommunications Systems (ARTES) program, Arralis Ltd. in Limerick, Ireland, has developed the Leonis chipset to meet the growing demand for lower cost K/Ka-band satellite communications (satcom) equipment. This article describes the design of the Leonis chipset using the Cadence AWR Design Environment® platform. The chipset includes in-phase quadrature (I/Q) and subharmonic mixers, upconverter and downconverter core chips, switches, phase shifters, low-noise amplifiers (LNAs), and PAs. Within this chipset is the company’s LE-Ka1330308, a high-power monolithic microwave integrated circuit (MMIC) amplifier. Arralis has successfully demonstrated transceiver architectures for both uplink and downlink communications.
Интеллектуальная система проектирования AWR Design Environment V15 от компании Cadence
Девид Вай, СВЧ-электроника 2020'2
Статья затрагивает исторические аспекты, лежащие в основе моделирования в области высоких и сверхвысоких частот, и знакомит с основными особенностями последней версии AWR Design Environment®, Version 15 (V15), выпущенной компанией Cadence. Публикация представлена в виде авторского перевода материалов компании [1–3] с примерами и рядом поясняющих дополнений.
Разработка MMIC для приложений спутниковой связи, работающих в K-диапазоне частот
Дэвид Вай, СВЧ-электроника 2020'2
В статье описываются параметры микросхем линейки Leonis, их моделирование и анализ при помощи среды Cadence AWR Design Environment. Линейка включает синфазные квадратурные и субгармонические смесители, микросхемы для повышающих и понижающих преобразователей, переключатели, фазовращатели, малошумящие усилители (LNA) и многое другое.
8‑канальный приёмопередающ ий модуль Х-диапазона с первичной цифровой обработкой сигнала
Электронная техника. Серия 2. Полупроводниковые приборы. Выпуск 1 (248) 2018
В статье представлены результаты проектирования и изготовления 8‑канального приёмопередающе- го модуля (ППМ), предназначенного для работы в составе перспективных радиолокационных станций (РЛС) с активной фазированной антенной решёткой (АФАР). Рабочий диапазон частот ППМ ΔF = 9.2‑10.4 ГГц. Выходная мощность передающего канала Рвых = 10 Вт. Коэффициент шума приёмного канала Кш не более 3,5 дБ. В модуле реализована первичная цифровая обработка принимаемого сигнала.
Проектирование LTCC-приемопередатчика Х-диапазона с антенной решеткой в NI AWR Design Environment
Хаддад Бенни, СВЧ-электроника 2019'2
В статье пошагово рассмотрен процесс проектирования приемопередающего модуля с антенной решеткой 2?2 элемента (рис. 1), работающего в диапазоне 8–12 ГГц при помощи САПР NI AWR Design Environment и уникальных программных решений, входящих в его состав, включающих полноценную ко-симуляцию на системном и схемном уровнях, поддержку нескольких техпроцессов в одном проекте, возможность синтеза антенных устройств и моделирования антенных решеток.
С ростом сложности современных систем связи, радиолокации или составных элементов «Интернета вещей» повышаются и требования к тем инструментам, которые используются для их создания, включая системы автоматизированного проектирования и моделирования. Чтобы получить готовое к производству устройство или компонент разрабатываемой системы, необходимы программные средства, способные обеспечить поддержку каждого из этапов создания продукта — от эскизного проектирования на системном уровне до проведения электромагнитного моделирования и верификации реализованных элементов и узлов тракта в условиях воздействия реальных модулированных сигналов. Важным требованием к САПР является тесная интеграция данных проекта, ускоряющая процессы работы и, как следствие, сроки выхода продукта на рынок благодаря оптимизации времени и усилий инженера при создании сложных проектов. Лучшим примером такой САПР служит NI AWR Design Environment, предоставляющая пользователям единую платформу для работы на системном, схемотехническом и электромагнитном уровнях с бесшовным переносом данных между модулями программного обеспечения и обширными возможностями по синтезу, оптимизации и моделированию проектируемых компонентов, устройств и систем.
Optimizing Wireless Connectivity with Embedded Antennas
Anguera, A. Andujar, J.L. Leiva, C. Puente, R. Arribas, Y. Cobo
By 2025, 25 billion IoT devices and connections are expected to become deployed globally.1 From those, 5 billion units are expected to be cellular IoT. Cellular IoT, in all its variants (NB-IoT, LTE-Cat-M1, LTE, Cat-M2, 5G, …) provide the fastest path to develop an IoT system globally, taking advantage of the ubiquitous deployment of mobile cellular networks. From asset tracking devices, to smart meters, smart city sensors and health monitor systems and alarms, cellular IoT infrastructure provides the reach to make sure every device is connected when needed and wherever it is needed.2-6
The deployment of those 5 billion cellular IoT devices is estimated to be at a rate of 25% CAGR, and on average, that means about 1 billion cellular IoT devices added every year to the networks. Such a huge growth on the demand puts a significant pressure on electronic and RF engineers all over the world, that need to develop compact, reliable devices in a fast way and at a low cost. To develop a reliable and at the same time compact cellular IoT device, the antenna is a key component. Because every bit of information, every bunch of sensor data is delivered through it. In many instances, just sticking out a conventional external monopole or dipole antenna is not an option as wearables, trackers and many other applications cannot afford to feature a protruding element out of the device that can be unintentionally broken or even become subject to vandalism.
A Direct-Conversion Digital Beamforming Array Receiver with 800 MHz Channel Bandwidth at 28 GHz using Xilinx RF SoC
This paper discusses early results associated with a fully-digital direct-conversion array receiver at 28 GHz. The proposed receiver makes use of commercial off-the-shelf (COTS) electronics, including the receiver chain. The design consists of a custom 28 GHz patch antenna sub-array providing gain in the elevation plane, with azimuthal plane beamforming provided by real-time digital signal processing (DSP) algorithms running on a Xilinx Radio Frequency System on Chip (RF SoC). The proposed array receiver employs element-wise fully-digital array processing that supports ADC sample rates up to 2 GS/second and up to 1 GHz of operating bandwidth per antenna. The RF mixed-signal data conversion circuits and DSP algorithms operate on a single-chip RF SoC solution installed on the Xilinx ZCU1275 prototyping platform.
Проектирование понижающего преобразователя с помощью программного обеспечения AWR
Дэвид Вай, Малколм Эдвардс и Энди Уоллес, Электронные компоненты 2020'5
РЧ/СВЧ-модули, часто именуемые «гибридными», объединяют в себе функциональные блоки для передачи или приема радиосигналов. Эти гибридные схемы сочетают в едином корпусе разные технологии, включая монолитные интегральные схемы СВЧ-диапазона (СВЧ МИС) и радиочастотного диапазона (РЧ ИС), дискретные полевые транзисторы (ПТ), а также пассивные устройства на керамических или стеклотекстолитовых подложках с печатными проводниками и распределенными компонентами. РЧ-модули позволяют разрабатывать экономически эффективные радиокомпоненты для мало- и среднесерийного производства путем интеграции технологий. Это особенно актуально для контрольно-испытательного и измерительного оборудования в авиакосмической и оборонной промышленностях.
Проектирование диплексера, дуплексера, триплексера и N-плексера
Джефф Калер, Электронные компоненты 2020'3
Проектирование диплексеров, дуплексеров, триплексеров и их многоканальных вариаций (N-плексеров) может осуществляться с учетом схемотехнических и топологических требований, выполнение которых может оказаться не только сложным и трудоемким, но и зачастую невозможным из-за взаимоисключающих положений. Особенно острыми противоречия становятся на высоких частотах от 100 МГц и выше, когда паразитные эффекты подложки и межсоединений существенно ухудшают параметры устройства. Данные эффекты необходимо устранить при оптимизации конструкции, сделав это по возможности без значительных затрат времени и усилий.
В статье рассматривается эффективный процесс проектирования на основе комбинации программных решений Nuhertz Technologies для разработки фильтров (FS), библиотеки моделей компонентов Modelithics RF, среды проектирования AWR Design Environment и, в особенности,– ПО Microwave Office для проектирования схемных решений.
Автоматизация процесса электромагнитной верификации сложных печатных плат в NI AWR Design Environment
В статье рассматривается пример импорта файла печатной платы в NI AWR Design Environment при помощи обновлённых модулей импорта и настройки параметров для верификации проекта методами электромагнитного (ЭМ) анализа. Новый функционал и повышенный уровень автоматизации процесса позволяют разработчикам выделить наиболее важные области и цепи сложных многослойных плат и провести ЭМ-верификацию со значительно меньшими затратами времени и расчётных ресурсов.
Требования к сложным многослойным печатным платам, находящим применение в коммерческих и оборонных системах нового поколения, частично сводятся к необходимости в интеграции высокоскоростных линий данных и высокочастотных цепей. Подобная интеграция может негативно сказаться на параметрах системы по причине нежелательного взаимодействия между областями платы и других паразитных эффектов в сигнальных цепях. В таких условиях одну из самых важных ролей играет электромагнитный анализ сложных печатных плат и их наиболее важных областей, позволяющий учесть и смягчить нежелательные эффекты и получить требуемые характеристики системы. Специально для этих целей в новой версии NI AWR Design Environment был обновлён мастер импорта печатных плат, позволяющий упростить и ускорить процессы ЭМ-верификации сложных плат, созданных в профильных средах проектирования.
Проектирование усилителя Догерти на основе GaN HEMT для систем связи нового поколения
Дэвид Вай, Джеймс Вонг, Андрей Гребенников, Наоки Ватанабе, Эйдзи Мочида, СоЭЛ 2019'2
В статье рассматривается проект инвертированной конструкции многодиапазонного усилителя Догерти, выполненный в NI AWR Design Environment (Microwave Office) на основе широкополосных транзисторов GaN HEMT диапазона 1,8–2,7 ГГц. Ряд конструкторских решений обеспечивает возможность работы усилителя с несколькими стандартами передачи данных, сохраняя при этом высокие значения КПД и выходной мощности.
Для систем связи 4-го и 5-го поколений требуются усилители мощности (УМ), обладающие высокой эффективностью в широком частотном диапазоне и совместимые с различными стандартами. В таких системах ввиду увеличенной рабочей полосы и больших объёмов передаваемых данных одним из ключевых параметров сигнала является отношение пикового уровня к среднему (peak-to-average ratio, PAPR), которое характеризует мгновенные отклонения уровня передаваемой мощности от среднего значения. В связи с этим в усилителе важно обеспечить высокое значение КПД не только при максимальном уровне выходной мощности, но и при меньших значениях – обычно при 6 дБ до максимума – во всей рабочей полосе. В данной статье описывается инновационный проект усилителя Догерти на основе 200 Вт нитридных HEMTтранзисторов, обеспечивающего средний КПД до 50–60% с выходной мощностью до 100 Вт и позволяющего значительно уменьшить размеры, стоимость и уровень потребляемой мощности передатчика. Авторы проекта использовали программное обеспечение NI AWR Design Environment и, в частности, его модуль схемотехнического проектирования Microwave Office
Обзор нововведений NI AWR Design Environment V14
Линден Дерек, Современная Электроника 2018'8
Новейший релиз NI AWR Design Environment 14 нацелен на оптимизацию всех этапов проектирования РЧ/СВЧ-устройств и ускорение циклов разработки благодаря мощным инструментам синтеза цепей, улучшенной автоматизации процесса проектирования печатных плат и модулей, обновлённой организации измерений и данных, алгоритмам генерации моделей фазированных антенных решёток (ФАР) и тестовым схемам новых стандартов передачи данных.
Развитие технологий нового поколения, включая системы 5G, устройства Интернета вещей и различные автомобильные датчики на основе радаров, по-прежнему является ключевым фактором, определяющим всё более строгие требования к характеристикам устройств, их физическим размерам и себестоимости компонентов. Перед разработчиками ставится широкий спектр задач, в том числе по созданию более продвинутых антенн и компонентов приёмных трактов, адаптации проектов к новым технологиям и материалам, повышению интеграции устройств и поиску инновационных решений в архитектуре и топологии проектируемых систем.
Проект трехмерной решетчатой антенны: от эскиза к реализации
Линден Дерек, СВЧ-электроника 2019'1
Развитие технологий связи нового поколения, включая сети 5G, «Интернет вещей» и «умные» системы автомобилей, требует появления более продвинутых антенн и компонентов, что, в свою очередь, заставляет инженеров создавать новые проекты с учетом появляющихся технологий, материалов. Кроме того, существует необходимость в высокой интеграции устройств, как следствие, это означает поиск нестандартных решений для поставленных задач. В данной статье мы расскажем об уникальном проекте антенны, созданном благодаря инструментам синтеза и оптимизации, встроенным в программное обеспечение NI AWR.
Алгоритмы синтеза для автоматизации проектирования согласующих цепей в NI AWR Design Environment
Дэвид Вай, СВЧ-электроника 2019'1
Современные САПР должны обеспечивать интуитивный ввод данных (в том числе и на основе схем), нелинейное моделирование, возможность отображения результатов, генерацию топологии на основе созданных схем и поддержку электромагнитного (ЭМ) анализа для моделирования и верификации топологии. NI AWR Design Environment является примером такой САПР. Также в статье будет описан новый мастер-модуль программного пакета NI AWR Design Environment, позволяющий синтезировать цепи согласования импеданса.
Сокращение времени разработки современных устройств и систем требует наличия программных инструментов, автоматизирующих и упрощающих все этапы проектирования — от генерации начального эскиза на основе технического задания и спецификаций до оптимизации параметров, создания топологии и итоговой верификации перед передачей в производство и тестированием первых прототипов. Современные САПР должны обеспечивать интуитивный ввод данных (в том числе и на основе схем), нелинейное моделирование, возможность отображения результатов, генерацию топологии на основе созданных схем и поддержку электромагнитного (ЭМ) анализа для моделирования и верификации топологии. Алгоритмы синтеза должны упрощать описанный процесс проектирования благодаря использованию данных, имеющихся или легко получаемых в рамках рабочего проекта, и генерации согласующих цепей в виде схем, готовых для дальнейшего анализа.
NI AWR Design Environment является примером такой САПР: уникальная единая модель данных проекта и доступность всех схем, документов и симуляторов в едином окне позволяет добиться беспрецедентной интеграции и оптимизации времени, требуемого для получения готового к производству проекта на основе имеющегося технического задания. Помимо этого, в статье будет описан новый мастер-модуль программного пакета NI AWR Design Environment, позволяющий синтезировать цепи согласования импеданса, находящих применение во многих областях проектирования высокочастотных устройств.
Об одной методике проектирования проектирования топологии ВЧ МЭМС-ключа
Нано- и микросистемная техника, 2018'12
В настоящее время в коммутационных высокочастотных (ВЧ) устройствах все чаще используют переключатели, выполненные по технологии микроэлектромеханических систем (МЭМС). Это связано, в первую очередь, с высоколинейными характеристиками переключателей в широком диапазоне частот. МЭМС-устройства имеют хороший уровнь изоляции (> 30 дБ) и низкие вносимые потери (<0,15 дБ) по сравнению с современными полупроводниковыми устройствами. Фазовращатели, матрицы переключателей, приемники и секции передатчика - вот ряд устройств, в которых успешно используют МЭМС-переключатели. В этой связи задача создания методики проектирования ВЧ МЭМС является чрезвычайно актуальной. Как и любой коммутатор, МЭМС-переключатель имеет два стабильных состояния: «on» и «off». Переключение между этими состояниями может бьть достигнуто за счет движения мембраны (или в некоторыхтипах МЭМС-переключателей - кантилевера), перемещающейся с использованием целого ряда механизмов срабатывания: электростатического, пьезоэлектрического, электротермического и электромагнитного. Установлено, что вследствие низкого потребления энергии, малой площади электрода и относительно короткого времени переключеимя электростатический тип является наиболее привлекательным [1]. Методику проектирования топологии ВЧ МЭМС- ключа можно представить в виде последовательности взаимосвязанных этапов.
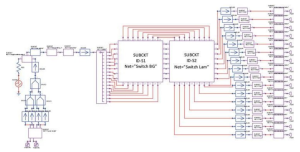
Автоматизация проектирования фазированных антенных решеток в NI AWR Design Environment
Дэвид Вай, СВЧ-электроника 2018'3
В статье рассмотрены основы действия ФАР и наиболее важные факторы, которые необходимо учитывать при разработке антенных систем нового поколения, а также представлены инновационные технологии и методы моделирования и проектирования данных систем.
Фазированная антенная решетка (ФАР) — это антенна, состоящая из нескольких отдельных излучающих элементов, каждый из которых возбуждается высокочастотным сигналом, контролируемым при помощи фазовращателей таким образом, чтобы радиоизлучение от отдельных антенн суммировалось и увеличивалось в выбранном направлении, а в нежелательных направлениях — подавлялось.
По сравнению со всенаправленными антеннами, ФАР имеют такие преимущества, как более высокая направленность и скорость управления лучом (перемещение может быть осуществлено за несколько миллисекунд) и возможность излучения нескольких лучей одновременно. С точки зрения применения в радиолокации ФАР обеспечивают управление видом диаграммы направленности и формирования луча, включая адаптивное подавление интерференции, лучший динамический диапазон и внутриполосную линейность, более низкие фазовые шумы и высокую точность угловых измерений.
В совокупности преимущества ФАР позволяют находить новые сферы применения — это, например, системы связи 5G и «умные» системы автомобилей, для которых в настоящее время перспективной считается область миллиметровых волн (рис. 1). Как и в системах аэрокосмического и оборонного назначения, ФАР коммерческих систем должны отвечать строгим требованиям по эффективности и надежности, даже при работе в жестких и неблагоприятных условиях. Отличие же от военно-аэрокосмических применений состоит в необходимости массового производства и учета экономической рентабельности проекта.
Преимущества применения точных нелинейных моделей при проектировании усилителей мощности в NI AWR Design Environment
Тед Лонгшор, Ларри Данливи, СОЭЛ 2018'7
В статье описываются преимущества, которые получает разработчик при использовании точных нелинейных моделей. Применение нелинейных моделей и мощных средств проектирования NI AWR Design Environment позволяет создать реально работающий усилитель мощности всего за одну итерацию.
Проектирование широкополосного усилителя мощности радиочастотного диапазона на основе GaN при помощи NI AWR Design Environment
Браннинг Джек, Рэйт Радж, СВЧ-Э 2018'2
В этой статье описывается проектирование усилителя с использованием среды NI AWR Design Environment и метода предварительного измерения входных и выходных согласующих цепей до включения усилителя в цепь. Кроме того, рассматриваются способы решения типичных проблем проектирования УМ, позволяющие лучше предсказать конечный результат и получить его с первой попытки.
Синтез антенн MIMO для компактных устройств в AntSyn
В статье рассказывается о возможностях программного обеспечения AntSyn от NI AWR для моделирования антенн MIMO. На практических примерах показано, как можно достичь высоких показателей, необходимых для современных систем Интернета вещей и мобильной связи 5-го поколения. Ключевыми элементами систем связи 5-го поколения (5G) и Интернета вещей (IoT) являются специализированные антенны, имеющие улучшенные характеристики, меньшие стоимость и габариты. За счёт использования нескольких антенн технология MIMO (многоканальный вход – многоканальный выход) позволяет обеспечить лучшую производительность и стабильность беспроводных устройств. Однако данная технология требует не только хорошего качества отдельных антенн, но и высокого коэффициента развязки между ними. Развязку можно обеспечить пространственным разнесением элементов, но такое решение приводит к увеличению размеров устройства и/ или потребует использования дополнительных внешних антенн. Для создания развязки применяются дроссели, согласующие цепи и другие способы, каждый из которых обладает собственными преимуществами и недостатками. Оптимизация антенн «вручную» для получения требуемых характеристик устройства (рабочая полоса, КПД антенны, согласование импеданса и т.д.) – весьма трудоёмкий процесс, требующий множества итераций моделирования и серьёзного опыта проектирования
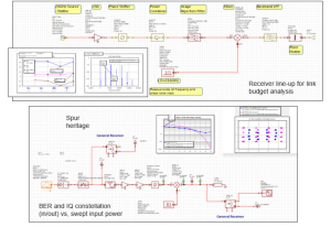
Проектирование приёмника оборонного назначения на основе SiGe в диапазоне 25-45 ГГц
СВЧ-электроника 2018'1
Для проектирования интегральных схем требуются специальные библиотеки компонентов и техпроцессов от производителя, но для реализации сложных проектов необходимые дополнительные модели. В статье на практическом примере рассматривается решение, которое позволило создать недостающие структуры в виде параметризованных ячеек PCell с помощью системы проектирования Analog Office. Все пассивные компоненты схемы моделиравались как отдельные структуры с помощью ЭМ-симулятора AXIEM.
Электромагнитное моделирование на основе мультитехнологий. Проектирование модуля с антенной решеткой
Владимир Рентюк, Джон Данн, СВЧ-электроника 2018'2
Вниманию читателей предлагается статья, которая исследует проблемы, связанные с мультитехнологическими модулями для высокочастотных и микроволновых приложений, то есть модулей, выполненных с использованием нескольких совершенно разных в физическом смысле технологий. В частности, подняты вопросы электромагнитного моделирования таких устройств, и даны ответы, поясняющие, как программное обеспечение для проектирования может одновременно и решать проблемы на уровне схемотехники данных устройств, и исследовать поведение сопутствующих выбранной конструкции устройства электромагнитных полей. В статье также рассматриваются проблемы моделирования активной сканирующей антенной решетки, включающего несколько разных методов симуляции, начиная от использования параметризованных трехмерных ячеек (3D cells) и заканчивая применением трехмерной электромагнитной экстракцией (EM extraction).
Проектирование МШУ S-диапазона с большим коэффициентом усиления в среде NI AWR DE
Кирилл Петров, СОЭЛ 2018'3
Практически в любой современной БКА (бортовой космической аппаратуре) присутствует приёмная часть с низким коэффициентом шума. Нередки случаи, когда необходим приёмник с большим коэффициентом усиления. Создание приёмных устройств с большим коэффициентом усиления и одновременно низким коэффициентом шума является комплексной задачей, связанной с рядом технических особенностей. В качестве основной проблемы можно выделить возможность самовозбуждения как отдельных нелинейных элементов устройства, так и всего изделия. Данная статья посвящена обзору возможностей анализа устойчивости нелинейных устройств, доступных в программном продукте Microwave Office среды NI AWR Design Environment.
Моделирование ключевых элементов беспроводных систем
Джоэл Киршман, СОЭЛ 2018'4
Залогом успешной разработки современных систем мобильной, спутниковой связи и радиолокации в настоящее время становится качественная оценка параметров элементов этих систем на самых ранних этапах проектирования. Данная статья посвящена преимуществам использования специализированного программного обеспечения для точной оценки ключевых параметров элементов беспроводных систем.
Разработка GaAs mHEMT МИС МШУ Ku-диапазона частот на основе технологического процесса компании OMMIC
Алексей Кондратенко, СОЭЛ 2018'3
В статье представлены результаты разработки двух монолитных интегральных схем Ku-диапазона: малошумящего усилителя с интегрированным полосно-пропускающим фильтром, предназначенного для применения в приёмном тракте системы спутниковой связи, а также малошумящего усилителя широкого применения.
Проектирование автомобильных радаров и антенных систем в NI AWR Design Environment
Милтон Лиен, Дэвид Вай, СОЭЛ 2018'2
Последние достижения в области разработки систем помощи водителю (ADAS, Advanced Driver Assistance Systems) позволяют значительно улучшить функциональность и доступность автомобилей, способных предупреждать водителя об опасностях и оказывать ему содействие в сложных дорожных ситуациях. В основе таких систем, как правило, лежат технологии радиолокации в диапазоне 76–81 ГГц. Данная статья посвящена рассмотрению задач и проблем, решаемых при разработке радиолокационных систем и антенных устройств миллиметрового (КВЧ) диапазона для умных транспортных средств следующего поколения.
Работать с российскими инженерами – одно удовольствие!
СОЭЛ 2018'1
AWR Corporation – ведущий разработчик инструментов для проектирования РЧ- и СВЧ-систем. Наш собеседник, директор по продажам в регионе ЕМЕА компании AWR Табиш Хан (Tabish Khan), рассказал о компании, её программных продуктах и их конкурентных преимуществах, о присутствии на российском рынке и перспективах развития сотрудничества в ближайшем будущем.
Оптимизация конструкции «кофейного» радара при помощи NI AWR Design Environment
Джим Кэрролл, Джент Папаристо, СОЭЛ 2017'9
Интересная идея создания радара из кофейных банок и доступных комплектующих получила новое развитие благодаря использованию современных программных средств от National Instruments. В статье рассказывается о том, как можно оптимизировать и значительно удешевить данный проект.
Проектирование малошумящего усилителя на 10 ГГц
Винсент Гриджис, СОЭЛ 2017'7
При разработке малошумящих высокочастотных усилителей необходимо правильно учитывать различные факторы, влияющие на работу устройства. В статье описывается комплексный подход к процессу разработки и моделирования малошумящего усилителя при помощи современных программных средств.
САПР AWR: сравнение результатов моделирования с экспериментом. Алгоритмы обработки данных
Сергей Никулин, Алексей Торгованов, СОЭЛ 2017'6
Целью данной статьи является ознакомление с основами интеграции NI AWR Design Environment с измерительной аппаратурой Rohde&Schwarz и написание собственных алгоритмов обработки данных. Представленные алгоритмы позволяют расширить и без того богатые возможности программного обеспечения, тем самым адаптируя его к специфическим задачам. В итоге получается существенно сократить издержки на цикл разработки и ускорить выпуск готовой продукции.
Методы электромагнитного моделирования в разработке радиочастотных интегральных схем
Джон Данн, Владимир Литун, СОЭЛ 2017'3
Современные технологии проектирования радиочастотных интегральных схем (RFIC), реализованные в программном комплексе NI AWR Design Environment, предоставляют разработчикам широкий выбор разнообразных инструментов для проведения схемотехнического и электромагнитного анализа структуры, в том числе с учётом технологических особенностей производства, корпусирования, выполнения электрических контактов, а также использования компонентов поверхностного монтажа. Данная статья посвящена обзору доступных в программных продуктах NI AWR вычислительных методов для моделирования различных по функциональному назначению частей RFIC-структур, в том числе в рамках стандартного процесса разработки RFIC в Cadence.
Декомпозиция решения с использованием различных методов электродинамического анализа при проектировании составных СВЧ-систем
Владимир Литун, Роман Семерня, КиТ 2017'5
В статье на практическом примере показаны возможности современных систем автоматизированного проектирования микроволновых узлов и систем по декомпозиции решения составных частей модели средствами наиболее подходящих вычислительных методов. Продемонстрированы качественные преимущества применения разных модулей NI AWR DE, а именно — AXIEM и Analyst, для декомпозиции плоско-слоистых узлов и структур с произвольной геометрией в рамках одной системы, с последующим объединением результатов на схемно-блочном уровне.
Преимущества и особенности NI AWR Design Environment 13 при разработке высокочастотных интегральных схем, печатных плат и многокристальных модулей
Дэвид Вай, СВЧ-Э 2017'2
Появление беспроводных устройств следующего поколения, развитие инфраструктуры сетей LTE-A/5G, необходимость в новых электронных системах аэрокосмического и оборонного назначения — все эти факторы ставят новые вызовы перед традиционными методами разработки радиочастотных (РЧ) и сверхвысокочастотных (СВЧ) устройств. Эти вызовы, обусловленные высокими требованиями по ряду параметров производительности (такими, как рабочая полоса частот, линейность и эффективность), зачастую усложняются давлением системных и рыночных факторов: физических размеров, веса и минимально возможной стоимости устройств. Помимо ряда инженерных задач приходится решать и экономические проблемы, связанные с увеличивающимися затратами на разработку устройств, ограниченностью инженерных ресурсов и скоростью вывода продукта на рынок сбыта
Проектирование АФАР нового поколения средствами платформы NI AWR Design Environment
Джент Папаристо, СВЧ-Э 2017'1
В последнее время основной целью разработки пассивных и активных фазированных антенных решеток (АФАР) становится их применение в радарных системах спутников и беспилотных летательных аппаратов. Соблюдение технических и размерных требований к этим системам напрямую зависит от развивающихся технологий систем автоматизированного проектирования (САПР), предоставляющих инженерам возможность работы с системной архитектурой, спецификациями компонентов, топологией отдельных элементов и верификацией до появления прототипов. В данной статье рассматриваются тенденции развития таких технологий, представлены несколько примеров использования инструментов САПР для разработки ФАР и АФАР нового поколения.
AWR Design Environment: От концепции системы до электромагнитного 3D-анализа
ЭНТБ 2016'1
Разработчикам радиочастотных и СВЧ-систем хорошо известны программные средства от AWR, в частности, пакет Microwave Office, который обеспечивает сквозной цикл проектирования монолитных интегральных схем, одно- и многокристальных модулей, печатных плат и сборок. В 2011 году компания AWR вошла в состав National Instruments, что обеспечило создание единой платформы разработки, прототипирования и тестирования СВЧустройств. Результатом объединения ресурсов двух компаний стало сокращение времени разработки СВЧ-системы и повышение ее качества. О новых возможностях инструментов проектирования AWR Design Environment и перспективах работы компании NI на российском рынке рассказал директор по продажам NI в регионе EMEA Табиш Хан.
Методы электромагнитного моделирования в разработке радиочастотных интегральных схем
Джон Данн, Владимир Литун, СОЭЛ 2017'3
Современные технологии проектирования радиочастотных интегральных схем (RFIC), реализованные в программном комплексе NI AWR Design Environment, предоставляют разработчикам широкий выбор разнообразных инструментов для проведения схемотехнического и электромагнитного анализа структуры, в том числе с учётом технологических особенностей производства, корпусирования, выполнения электрических контактов, а также использования компонентов поверхностного монтажа. Данная статья посвящена обзору доступных в программных продуктах NI AWR вычислительных методов для моделирования различных по функциональному назначению частей RFIC-структур, в том числе в рамках стандартного процесса разработки RFIC в Cadence.
AntSyn – технология синтеза и оптимизации антенных устройств. Эволюция разработки антенн
Дерек Линден, СОЭЛ 2016'7
Высокий спрос на беспроводные сети, превышающий предложение на рынке труда инженеров-разработчиков антенн, привёл к появлению альтернативного подхода. Рост потребности в беспроводных сетях тесно связан с созданием интегрированных антенных систем, обеспечивающих оптимальную производительность, стоимость и размеры. Оптимизация таких характеристик, как согласование импеданса, коэффициент усиления, КПД излучения антенны и рабочей полосы пропускания – очень трудоёмкий процесс, требующий многократного повторения симуляций и хороших профессиональных знаний. В ходе исследований в области применения эволюционных алгоритмов (ЭА) – программных методов изучения проектных параметров и автоматического нахождения оптимальных конструкций антенны – были предложены средства ускорения процесса проектирования. ЭА подтверждают свою эффективность при создании конструкций антенн с более высокой производительностью по сравнению с антеннами, разработанными стандартными методами.
Проектирование и моделирование широкополосного усилителя мощности на нитрид-галлиевом транзисторе
Иван Бошнаков, Малколм Эдвардс, Ларри Данливи, Изабелла Дельгадо, СОЭЛ 2017'1
В данной статье описывается методика проектирования и моделирования широкополосного усилителя мощности (УМ) с использованием технологий анализа нагрузочной линии, согласования нагрузки (load-pull) и синтезирования реальной частоты. В качестве примера рассматривается разработка усилителя класса F на основе нитрид-галлиевого 30-ваттного транзистора с высокой подвижностью электронов (HEMT) модели T2G6003028-FL производства Qorvo.
Проектирование, оптимизация и изготовления сверхширокополосного приёмника
Цациатори, СОЭЛ 2016'4
В данной статье представлено описание процесса схемотехнического проектирования нового ВЧ-устройства и разработки топологии печатной платы для изготовления сверхширокополосного приёмника. Внимательное отношение к конструированию и к деталям разводки платы позволили создать прототип, соответствующий требованиям заказчика без необходимости его доработок.
Оптимизация перехода от коаксиального коннектора в микрополосковую линию
Якко Янтенен, СОЭЛ 2016'2
В данной статье представлен процесс оптимизации перехода от коаксиального коннектора в микрополосковую линию с помощью AWR Analyst – 3D симулятора, в основе работы которого лежит метод конечных элементов.
Автоматизация процесса проектирования антенн и устройств СВЧ в современных программных комплексах электродинамического моделирования Часть 3. Полосно-пропускающий СВЧ-фильтр на сосредоточенных элементах
Андрей Пластиков, СОЭЛ 2012'6
В статье описан процесс создания сценария, осуществляющего автоматизированное построение полосно-пропускающего СВЧ-фильтра на сосредоточенных элементах в среде Microwave Office. В сценарий, написанный на языке Visual Basic, введено диалоговое окно интерфейса пользователя.
AXIEM pioneers the future of EM technology now enables EM to be part of the overall design flow decision-making process
Microwave Ensineering Europe, 2007'10
Competition to attract consumers in the wireless communications market is driving incredible innovation in the design of feature-rich devices in compact packages. Geometries are shrinking and circuit densities are increasing, while at the same time application frequency and bandwidth grows. In order to reduce size and weight, and to improve the cost-effectiveness of the module, it has become necessary to migrate to fully integrated monolithic microwave integrated circuits (MMICs) that include RF functions. As a result, designers' tools and flows are being pushed harder and harder, forcing highfrequency electromagnetic (EM) technology to move above and beyond where it is today.
Проектирование свч монолитных интегральных устройств на основе преобразования моделей элементов
2007
В настоящий период во всем мире наблюдается исключительно быстрое разви- тие радиоэлектронных средств в диапазоне сверхвысоких частот (СВЧ). Это обусловлено, прежде всего, возрастающими потребностями общества в передаче, приеме и обработке информации. СВЧ радиоэлектронные системы (РЭС) используются в таких областях, как связь, радиовещание, телевидение, радиолокация, телеметрия, телеуправление, измерительная техника и др. В последнее время резкое увеличение количества разрабатываемых в мире радиоэлектронных изделий СВЧ диапазона связано с широким развитием таких сфер применения радиоэлектроники, как космическая, спутниковая, персональная и сотовая связь, телекоммуникации, беспроводные системы передачи данных и т.д.
Современные СВЧ РЭС создаются на основе новых поколений приборов и устройств на твердом теле. СВЧ полупроводниковые устройства (ППУ) выполняют функции генерации и усиления колебаний, формирования и обработки сигналов. К ним относятся, в частности, СВЧ автогенераторы, малошумящие и мощные усилители, смесители и умножители частоты, управляющие устройства (управляемые аттенюаторы, фазовращатели, переключатели, модуляторы и манипуляторы), активные фильтры, конвертеры импеданса и др.
Особенностью современного этапа развития СВЧ РЭС является все более широкое внедрение монолитных интегральных схем (МИС), ведущее к появлению качественно новых систем. Это связано с тем, что, помимо улучшения основных технических параметров РЭС, таких, как точность и дальность действия, пропускная и разрешающая способности, применение СВЧ МИС позволяет кардинально снизить массу и габариты, повысить надежность и КПД, уменьшить стоимость при серийном производстве и т.д.
В США, Японии и развитых европейских странах рядом фирм разработаны технологии изготовления СВЧ МИС на GaAs подложке, а также средства их автоматизированного проектирования. В России монолитные технологии еще находятся в стадии становления. Между тем, при отсутствии таких технологий принципиально невозможно создавать современные радиоэлектронные системы гражданского и военного назначения с высокими качественными характеристиками.























































